| Характеристика |
Описание |
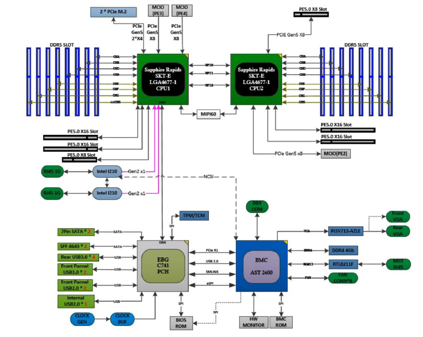
| Платформа | Серверная платформа SNR-SR2412LS-S Высокопроизводительный двухпроцессорный сервер высокой плотности на базе 4th/5th Generation Intel Xeon Scalable (TDP 350W), высота 2U. Типовое применение: - универсальный высокопроизводительный сервер бизнес-приложений - платформа виртуальных машин - сервер баз данных - высокопроизводительная система хранения - сервер сетевых служб - сервер для 1С |
| Форм-фактор | 2U, для установки в стойку |
| Процессор | 1 или 2 процессора семейства 4th/5th Generation Intel® Xeon® Scalable Processors Максимальный тепловой пакет (TDP) - 350W на процессор Поддерживаемые процессоры: Intel Xeon Silver 4400/4500, Gold 5400/5500, Gold 6400/6500, Platinum 8400/8500, MAX 9400 (кроме процессоров с индеком Q) Процессорный разъем FCLGA4677, архитектура Intel Sapphire Rapids/Emerald Rapids, техпроцесс Intel 7 От 8 до 64 ядер и 128 потоков на процессор, рабочая частота от 1.8 GHz до 3.7 GHz До 256 логических CPU на сервер с технологией Intel Hyper-Threading До 320 MB кэш-памяти L3 на процессор Максимальный объем поддерживаемой процессором оперативной памяти 4TB Поддержка памяти DDR5-4000/4400/4800/5600 MT/s (в зависимости от модели процессора), восьмиканальный контроллер памяти (IMC) Поддержка Registered ECC-memory, в том числе 3DS Межпроцессорный интерфейс UPI 16 GT/s (3 или 4 линка), 80 линий PCIe 5.0 (8GB/s на линию), DMI 3.0 (4 линии) |
| Чипсет | Intel C741 Chipset, 20 линий PCIe 3.0, 24 порта SATA, 14 USB 2.0 / 10 USB 3.0 |
| Оперативная память | Типы памяти: - DDR5 ECC Registered Memory (RDIMM) 1.1V, DDR5 ECC Registered Memory 3DS (RDIMM 3DS) 1.1V Максимальный объем ОЗУ (процессор поддерживает максимально 4TB ОЗУ): - для RDIMM - 2048 GB (16 x 128 GB) - для RDIMM 3DS - 4096 GB (16 x 256 GB) Режимы работы памяти: 4800/5600 MT/s (4th/5th Generation Intel Xeon Scalable, 1 DPC) Интегрированный в процессор 8-канальный контроллер памяти (IMC) Всего 8 каналов на CPU, один модуль памяти на канал (1 DPC) Всего 8 модулей памяти на CPU, 16 модулей памяти на сервер Пропускная способность подсистемы памяти 307.2 / 358.4 GB/s (4th/5th Generation Intel Xeon Scalable) |
| Сетевые адаптеры | Интегрированный сетевой адаптер на базе Intel 210, 2 порта 1Gb Ethernet RJ-45 Выделенный порт управления 1 Gb Ethernet RJ-45 (10M/100M/1Gb) Дополнительно: - до шести сетевых адаптеров в низкопрофильные слоты расширения PCIe 5.0 |
| Слоты расширения | - 1 слот PCIe 5.0 x8/x8 низкопрофильный (Low Profile, Half Length), подключение к CPU1 - 2 слота PCIe 5.0 x16/x16 низкопрофильных (Low Profile, Half Length), подключение к CPU1 - 2 слота PCIe 5.0 x16/x16 низкопрофильных (Low Profile, Half Length), подключение к CPU2 - 1 слот PCIe 5.0 x8/x8 низкопрофильный (Low Profile, Half Length), подключение к CPU2 |
| Контроллер дисковой подсистемы | Интегрированный в чипсет SATA-контроллер, 8 портов 6Gb/s (2 разъема SFF-8643 HD Mini-SAS): - поддержка VROC 8.0 RAID 0/1/10/5 Интегрированный в чипсет sSATA-контроллер, 2 порта 6Gb/s (2 разъема 7-Pin SATA): - поддержка VROC 8.0 RAID 0/1 6 портов PCIe 5.0 x4 для подключения накопителей NVMe (2 разъема SFF-TA-1016 MCIO x8 от CPU1, 1 разъем SFF-TA-1016 MCIO x8 от CPU2): - поддержка Intel VMD, Intel VROC 8.0 RAID 0/1/10/5 (для RAID требуется ключ активации Intel VROC Key) 2 порта PCIe 4.0 x4 для накопителей M.2 формата 2280/22110 (подключение к CPU1): - поддержка Intel VMD, Intel VROC 8.0 RAID 0/1 (для RAID требуется ключ активации Intel VROC Key) Дополнительно (выбор в полях Конфигуратора "Контроллер дисковой подсистемы" и "HBA-адаптер): - RAID-контроллер, HBA-адаптер или Tri-Mode контроллер для накопителей SAS3 и/или SATA в слоты расширения PCIe 5.0; - Tri-Mode-контроллер для альтернативного варианта подключения накопителей NVMe в слоты расширения PCIe 5.0. |
| Дисковая подсистема | До 12 накопителей с горячей заменой 3.5"/2.5" SAS3/SATA3/NVMe Gen4 U.2/U.3 HDD/SSD в корзину на передней панели сервера. Разъемы на корзине для подключения кабелей: - 3 разъема HD Mini-SAS для накопителей SAS3/SATA; - 6 разъемов SLIMLINE x8 для накопителей NVMe PCIe 4.0 x4 (U.2 или U.3) Варианты подключения накопителей: Для накопителей SATA: - к интегрированному Primary SATA-контроллеру материнской платы двумя кабелями HD Mini-SAS -> HD Mini-SAS (требуются дополнительные кабели, для восьми накопителей). Для накопителей SATA и/или SAS: - к SAS RAID-контроллеру или HBA кабелями HD Mini-SAS -> HD Mini-SAS (до 12-ти накопителей, для каждых четырех накопителей требуется дополнительный кабель); - к Tri-Mode-контроллеру двумя кабелями SLIMLINE x8 -> 2 x HD Mini-SAS (до 12-ти накопителей, кабели входят в комплект поставки). Для накопителей NVMe: - к четырем портам PCIe 5.0 x4 от CPU1 на материнской плате кабелями MCIO x8 -> SLIMLINE x8 (подключено для четырех накопителей, отсеки 1-4); - к двум портам PCIe 5.0 x4 от CPU2 на материнской плате кабелем MCIO x8 -> SLIMLINE x8 (подключено для двух накопителей, отсеки 5-6); - к Tri-Mode-контроллеру кабелями SLIMLINE x8 -> SLIMLINE x8 (до шести накопителей на контроллер, для каждой пары накопителей требуется дополнительный кабель). |
| Дополнительные накопители | До двух накопителей M.2 PCIe 4.0 x4 формата 2280/22110 с установкой в разъемы на материнской плате, подключение к CPU1: - поддержка Intel VMD, Intel VROC 8.0 RAID 0/1 (для RAID требуется ключ активации Intel VROC Key) До двух накопителей M.2 SATA / PCIe 4.0 x4 формата 2280/22110 с установкой на плату расширения на базе SAS3808 с поддержкой RAID 0/1 в слот PCIe. |
| Оптический накопитель | Не поддерживается, только внешний через порт USB 3.0 |
| Интерфейсы | На передней панели: 2 разъема USB 3.0, видео-разъем VGA На задней панели: видео-разъем VGA (D-Sub), порт управления RJ-45 1GbE, 4 порта USB 3.0, COM-порт, 2 сетевых порта 1GbE RJ-45 |
| Видео-адаптер и GPU | Интегрированный видеоконтроллер Aspeed® AST2600 Video Graphic Adapter, 1920x1200@60Hz 32bpp, DDR4 SDRAM. |
| Панель управления | На передней панели: - кнопки управления: Power, System ID, Reset - индикация: Power LED, ID LED, System Status LED, HDD LED, LAN Activity LED На задней панели: - кнопки управления: System ID - индикация: ID LED |
| Управление и мониторинг | Integrated Baseboard Management Controller Aspeed® AST2600, IPMI 2.0 & Redfish Встроенный порт удаленного управления RJ-45 1GbE (10M, 100M, 1Gb) Полнофункциональное удаленное управление (KVM, Virtual Media over LAN) |
| Поддерживаемые операционные системы | Актуальный список |
| Блок питания | 2 блока питания 1300W 80 Plus Platinum с поддержкой резервирования и горячей заменой Режимы работы подсистемы питания: 1+1 Redundant Power, 2+0 Combined Power |
| Система охлаждения | 3 управляемых однороторных вентилятора 80x80x38 мм с резервированием и возможностью горячей замены 1 вентилятор в каждом блоке питания Радиаторы процессора с пассивным охлаждением |
| Габариты | Высота 8.7 см, ширина 44.8 см, глубина 66.0 см |
| Установка в стойку | Выдвижные рельсы для установки в стойку |
| Параметры электропитания | 100-240 VAC, 12-10 A, 50-60 Hz |
| Условия эксплуатации | Рабочая температура от +5°C до +35°C Относительная влажность от 8% до 90% Температура хранения от -40°C до +65°C Относительная влажность при хранении от 5% до 95% |
| Гарантия | Стандартная гарантия 24 месяца, 9 x 5, обслуживание в сервисном центре |
| Дополнительная информация |
|
|
| |
| Блок-диаграмма платформы SNR-SR2412LS-S |
|
| Платформа | Серверная платформа SNR-SR2412LS Возможна установка двух графических ускорителей (GPU) или видеокарт двойной ширины с TDP до 320W. Высокопроизводительный двухпроцессорный сервер высокой плотности на базе 4th/5th Generation Intel Xeon Scalable (TDP 350W), высота 2U. Типовое применение: - универсальный высокопроизводительный сервер бизнес-приложений - платформа виртуальных машин - сервер баз данных - высокопроизводительная система хранения - сервер сетевых служб - сервер для 1С - ИИ, аналитика, Биг-дата - облачные вычисления - высокопроизводительные вычисления (HPC) |
| Форм-фактор | 2U, для установки в стойку |
| Процессор | 1 или 2 процессора семейства 4th/5th Generation Intel® Xeon® Scalable Processors Максимальный тепловой пакет (TDP) - 350W на процессор Поддерживаемые процессоры: Intel Xeon Silver 4400/4500, Gold 5400/5500, Gold 6400/6500, Platinum 8400/8500, MAX 9400 (кроме процессоров с индеком Q) Процессорный разъем FCLGA4677, архитектура Intel Sapphire Rapids/Emerald Rapids, техпроцесс Intel 7 От 8 до 64 ядер и 128 потоков на процессор, рабочая частота от 1.8 GHz до 3.7 GHz До 256 логических CPU на сервер с технологией Intel Hyper-Threading До 320 MB кэш-памяти L3 на процессор Максимальный объем поддерживаемой процессором оперативной памяти 4TB Поддержка памяти DDR5-4000/4400/4800/5600 MT/s (в зависимости от модели процессора), восьмиканальный контроллер памяти (IMC) Поддержка Registered ECC-memory, в том числе 3DS Межпроцессорный интерфейс UPI 16 GT/s (3 или 4 линка), 80 линий PCIe 5.0 (8GB/s на линию), DMI 3.0 (4 линии) |
| Чипсет | Intel C741 Chipset, 20 линий PCIe 3.0, 24 порта SATA, 14 USB 2.0 / 10 USB 3.0 |
| Оперативная память | Типы памяти: - DDR5 ECC Registered Memory (RDIMM) 1.1V, DDR5 ECC Registered Memory 3DS (RDIMM 3DS) 1.1V Максимальный объем ОЗУ (процессор поддерживает максимально 4TB ОЗУ): - для RDIMM - 4096 GB (32 x 128 GB) - для RDIMM 3DS - 8192 GB (32 x 256 GB) Режимы работы памяти: 4800/5600 MT/s (4th/5th Generation Intel Xeon Scalable, 1 DPC), 4400 MT/s (2DPC) Интегрированный в процессор 8-канальный контроллер памяти (IMC) Всего 8 каналов на CPU, два модуля памяти на канал (2 DPC) Всего 16 модулей памяти на CPU, 32 модуля памяти на сервер Пропускная способность подсистемы памяти 307.2 / 358.4 GB/s |
| Сетевые адаптеры | Без интегрированного сетевого контроллера Выделенный порт управления 1 Gb Ethernet RJ-45 (10M/100M/1Gb) Дополнительно: - сетевой модуль с установкой в отсек OCP 3.0 PCIe 5.0 x8/x16 (возможен апгрейд до x16); - до восьми сетевых адаптеров в стандартные слоты расширения PCIe 5.0 |
| Слоты расширения | Райзер-карта #1: - 1 слот PCIe 5.0 x16/x16 полной высоты полной длины (Full Height, Full Length), подключение к CPU1 - 1 слот PCIe 5.0 x8/x16 полной высоты полной длины (Full Height, Full Length), подключение к CPU1 - 1 слот PCIe 5.0 x8/x16 полной высоты половинной длины (Full Height, Half Length), подключение к CPU1 Райзер-карта #2: - 1 слот PCIe 5.0 x16/x16 полной высоты полной длины (Full Height, Full Length), подключение к CPU2 - 1 слот PCIe 5.0 x8/x16 полной высоты полной длины (Full Height, Full Length), подключение к CPU2 - 1 слот PCIe 5.0 x8/x16 полной высоты половинной длины (Full Height, Half Length), подключение к CPU2 Райзер-карта #3: - 2 слота PCIe 4.0 x8/x16 половинной высоты половинной длины (Low Profile, Half Length), подключение к CPU2 Слот PCIe 5.0 x8/x16 OCP 3.0 для установки сетевого модуля, подключение к CPU1 (Возможен апгрейд до x16 посредством установки дополнительного кабеля) |
| Контроллер дисковой подсистемы | Интегрированный в чипсет SATA-контроллер, 8 портов 6Gb/s (2 разъема SFF-8643 HD Mini-SAS): - поддержка VROC 8.0 RAID 0/1/10/5 Интегрированный в чипсет sSATA-контроллер, 6 портов 6Gb/s (1 разъем SFF-8643 HD Mini-SAS, 2 разъема 7-Pin SATA): - поддержка VROC 8.0 RAID 0/1/10/5 2 порта PCIe 4.0 x4 для накопителей M.2 формата 2280/22110 (подключение к CPU2): - поддержка Intel VMD, Intel VROC 8.0 RAID 0/1 (для RAID требуется ключ активации Intel VROC Key) Дополнительно (выбор в полях Конфигуратора "Контроллер дисковой подсистемы" и "HBA-адаптер): - RAID-контроллер, HBA-адаптер или Tri-Mode контроллер для накопителей SAS3 и/или SATA в слоты расширения PCIe 5.0; |
| Дисковая подсистема | До 12 накопителей с горячей заменой 3.5"/2.5" SAS3/SATA3 HDD/SSD в корзину на передней панели сервера. Разъемы на корзине для подключения кабелей: - 3 разъема HD Mini-SAS для накопителей SAS3/SATA; Варианты подключения накопителей: Для накопителей SATA: - к интегрированному Primary SATA-контроллеру материнской платы двумя кабелями HD Mini-SAS -> HD Mini-SAS (требуются дополнительные кабели, для восьми накопителей, отсеки 1-8). - к интегрированному Secondary SATA-контроллеру материнской платы кабелем HD Mini-SAS -> HD Mini-SAS (требуется дополнительный кабель, для четырех накопителей, отсеки 9-12). Для накопителей SATA и/или SAS: - к SAS RAID-контроллеру или HBA кабелями HD Mini-SAS -> HD Mini-SAS (до 12-ти накопителей, для каждых четырех накопителей требуется дополнительный кабель); - к Tri-Mode-контроллеру кабелями SLIMLINE x8 -> 2 x HD Mini-SAS и SLIMLINE x8 -> HD Mini-SAS + 2 x 7-Pin SATA (до 12-ти накопителей, кабели входят в комплект поставки). До 2 накопителей с горячей заменой 2.5" SAS3/SATA SSD в корзину на задней панели сервера. Разъемы на корзине для подключения кабелей: 2 разъема 7-Pin SATA для накопителей SATA/SAS3. Варианты подключения накопителей: Для накопителей SATA: - к интегрированному sSATA-контроллеру материнской платы двумя кабелями 7-Pin SATA -> 7-Pin SATA (для 2 накопителей, требуются дополнительные кабели); Для накопителей SATA и/или SAS: - к SAS RAID-контроллеру или HBA кабелем HD Mini-SAS -> 4 x 7-Pin SATA (для 2 накопителей, требуется дополнительный кабель); - к Tri-Mode-контроллеру кабелем SLIMLINE x8 -> HD Mini-SAS + 2 x 7-Pin SATA (для 2-х накопителей, кабель входит в комплект поставки). |
| Дополнительные накопители | До двух накопителей M.2 PCIe 4.0 x4 формата 2280/22110 с установкой в разъемы на материнской плате, подключение к CPU2: - поддержка Intel VMD, Intel VROC 8.0 RAID 0/1 (для RAID требуется ключ активации Intel VROC Key) До двух накопителей M.2 SATA / PCIe 4.0 x4 формата 2280/22110 с установкой на плату расширения на базе SAS3808 с поддержкой RAID 0/1 в слот PCIe. |
| Оптический накопитель | Не поддерживается, только внешний через порт USB 3.0 |
| Интерфейсы | На передней панели: 2 разъема USB 3.0, видео-разъем VGA На задней панели: видео-разъем VGA (D-Sub), порт управления RJ-45 1GbE, 2 порта USB 3.0, COM-порт |
| Видео-адаптер и GPU | Интегрированный видеоконтроллер Aspeed® AST2600 Video Graphic Adapter, 1920x1200@60Hz 32bpp, DDR4 SDRAM. Возможна установка двух графических ускорителей (GPU) или видеокарт двойной ширины с TDP до 320W. |
| Панель управления | На передней панели: - кнопки управления: Power, System ID - индикация: Power LED, ID LED, System Status LED, Fan Status LED, Memory Status LED, LAN Activity LED На задней панели: - кнопки управления: Reset, System ID - индикация: ID LED |
| Управление и мониторинг | Integrated Baseboard Management Controller Aspeed® AST2600, IPMI 2.0 & Redfish Встроенный порт удаленного управления RJ-45 1GbE (10M, 100M, 1Gb) Полнофункциональное удаленное управление (KVM, Virtual Media over LAN) |
| Поддерживаемые операционные системы | Актуальный список |
| Блок питания | 2 блока питания 1300W 80 Plus Platinum с поддержкой резервирования и горячей заменой Режимы работы подсистемы питания: 1+1 Redundant Power, 2+0 Combined Power |
| Система охлаждения | 4 управляемых двухроторных вентилятора 80x80x56 мм с резервированием и возможностью горячей замены 1 вентилятор в каждом блоке питания Радиаторы процессора с пассивным охлаждением |
| Габариты | Высота 8.8 см, ширина 44.7 см, глубина 78.8 см |
| Установка в стойку | Выдвижные рельсы для установки в стойку |
| Параметры электропитания | 100-240 VAC, 12-10 A, 50-60 Hz |
| Условия эксплуатации | Рабочая температура от +5°C до +35°C Относительная влажность от 8% до 90% Температура хранения от -40°C до +65°C Относительная влажность при хранении от 5% до 95% |
| Гарантия | Стандартная гарантия 24 месяца, 9 x 5, обслуживание в сервисном центре |
| Дополнительная информация |
|
|
| |
| Блок-диаграмма платформы SNR-SR2412LS |
|
| Платформа | Серверная платформа SNR-SR2412LS-NV Возможна установка двух графических ускорителей (GPU) или видеокарт двойной ширины с TDP до 320W. Высокопроизводительный двухпроцессорный сервер высокой плотности на базе 4th/5th Generation Intel Xeon Scalable (TDP 350W), высота 2U. Типовое применение: - универсальный высокопроизводительный сервер бизнес-приложений - платформа виртуальных машин - сервер баз данных - высокопроизводительная система хранения - сервер сетевых служб - сервер для 1С - ИИ, аналитика, Биг-дата - облачные вычисления - высокопроизводительные вычисления (HPC) |
| Форм-фактор | 2U, для установки в стойку |
| Процессор | 1 или 2 процессора семейства 4th/5th Generation Intel® Xeon® Scalable Processors Максимальный тепловой пакет (TDP) - 350W на процессор Поддерживаемые процессоры: Intel Xeon Silver 4400/4500, Gold 5400/5500, Gold 6400/6500, Platinum 8400/8500, MAX 9400 (кроме процессоров с индеком Q) Процессорный разъем FCLGA4677, архитектура Intel Sapphire Rapids/Emerald Rapids, техпроцесс Intel 7 От 8 до 64 ядер и 128 потоков на процессор, рабочая частота от 1.8 GHz до 3.7 GHz До 256 логических CPU на сервер с технологией Intel Hyper-Threading До 320 MB кэш-памяти L3 на процессор Максимальный объем поддерживаемой процессором оперативной памяти 4TB Поддержка памяти DDR5-4000/4400/4800/5600 MT/s (в зависимости от модели процессора), восьмиканальный контроллер памяти (IMC) Поддержка Registered ECC-memory, в том числе 3DS Межпроцессорный интерфейс UPI 16 GT/s (3 или 4 линка), 80 линий PCIe 5.0 (8GB/s на линию), DMI 3.0 (4 линии) |
| Чипсет | Intel C741 Chipset, 20 линий PCIe 3.0, 24 порта SATA, 14 USB 2.0 / 10 USB 3.0 |
| Оперативная память | Типы памяти: - DDR5 ECC Registered Memory (RDIMM) 1.1V, DDR5 ECC Registered Memory 3DS (RDIMM 3DS) 1.1V Максимальный объем ОЗУ (процессор поддерживает максимально 4TB ОЗУ): - для RDIMM - 4096 GB (32 x 128 GB) - для RDIMM 3DS - 8192 GB (32 x 256 GB) Режимы работы памяти: 4800/5600 MT/s (4th/5th Generation Intel Xeon Scalable, 1 DPC), 4400 MT/s (2DPC) Интегрированный в процессор 8-канальный контроллер памяти (IMC) Всего 8 каналов на CPU, два модуля памяти на канал (2 DPC) Всего 16 модулей памяти на CPU, 32 модуля памяти на сервер Пропускная способность подсистемы памяти 307.2 / 358.4 GB/s |
| Сетевые адаптеры | Без интегрированного сетевого контроллера Выделенный порт управления 1 Gb Ethernet RJ-45 (10M/100M/1Gb) Дополнительно: - сетевой модуль с установкой в отсек OCP 3.0 PCIe 5.0 x8/x16 (возможен апгрейд до x16); - до восьми сетевых адаптеров в стандартные слоты расширения PCIe 5.0 |
| Слоты расширения | Райзер-карта #1: - 1 слот PCIe 5.0 x16/x16 полной высоты полной длины (Full Height, Full Length), подключение к CPU1 - 1 слот PCIe 5.0 x8/x16 полной высоты полной длины (Full Height, Full Length), подключение к CPU1 - 1 слот PCIe 5.0 x8/x16 полной высоты половинной длины (Full Height, Half Length), подключение к CPU1 Райзер-карта #2: - 1 слот PCIe 5.0 x16/x16 полной высоты полной длины (Full Height, Full Length), подключение к CPU2 - 1 слот PCIe 5.0 x8/x16 полной высоты полной длины (Full Height, Full Length), подключение к CPU2 - 1 слот PCIe 5.0 x8/x16 полной высоты половинной длины (Full Height, Half Length), подключение к CPU2 Райзер-карта #3: - 2 слота PCIe 4.0 x8/x16 половинной высоты половинной длины (Low Profile, Half Length), подключение к CPU2 Слот PCIe 5.0 x8/x16 OCP 3.0 для установки сетевого модуля, подключение к CPU1 (Возможен апгрейд до x16 посредством установки дополнительного кабеля) |
| Контроллер дисковой подсистемы | Интегрированный в чипсет SATA-контроллер, 8 портов 6Gb/s (2 разъема SFF-8643 HD Mini-SAS): - поддержка VROC 8.0 RAID 0/1/10/5 Интегрированный в чипсет sSATA-контроллер, 6 портов 6Gb/s (1 разъем SFF-8643 HD Mini-SAS, 2 разъема 7-Pin SATA): - поддержка VROC 8.0 RAID 0/1/10/5 16 портов PCIe 5.0 x4 для подключения накопителей NVMe (4 разъема SFF-TA-1016 MCIO x8 от CPU1, 4 разъема SFF-TA-1016 MCIO x8 от CPU2): - поддержка Intel VMD, Intel VROC 8.0 RAID 0/1/10/5 (для RAID требуется ключ активации Intel VROC Key) 2 порта PCIe 4.0 x4 для накопителей M.2 формата 2280/22110 (подключение к CPU2): - поддержка Intel VMD, Intel VROC 8.0 RAID 0/1 (для RAID требуется ключ активации Intel VROC Key) Дополнительно (выбор в полях Конфигуратора "Контроллер дисковой подсистемы" и "HBA-адаптер): - RAID-контроллер, HBA-адаптер или Tri-Mode контроллер для накопителей SAS3 и/или SATA в слоты расширения PCIe 5.0; - Tri-Mode-контроллер для альтернативного варианта подключения накопителей NVMe в слоты расширения PCIe 5.0. |
| Дисковая подсистема | До 12 накопителей с горячей заменой 3.5"/2.5" SAS3/SATA3/NVMe Gen4 U.2/U.3 HDD/SSD в корзину на передней панели сервера. Разъемы на корзине для подключения кабелей: - 3 разъема HD Mini-SAS для накопителей SAS3/SATA; - 6 разъемов SLIMLINE x8 для накопителей NVMe PCIe 4.0 x4 (U.2 или U.3) Варианты подключения накопителей: Для накопителей SATA: - к интегрированному Primary SATA-контроллеру материнской платы двумя кабелями HD Mini-SAS -> HD Mini-SAS (требуются дополнительные кабели, для восьми накопителей, отсеки 1-8). - к интегрированному Secondary SATA-контроллеру материнской платы кабелем HD Mini-SAS -> HD Mini-SAS (требуется дополнительный кабель, для четырех накопителей, отсеки 9-12). Для накопителей SATA и/или SAS: - к SAS RAID-контроллеру или HBA кабелями HD Mini-SAS -> HD Mini-SAS (до 12-ти накопителей, для каждых четырех накопителей требуется дополнительный кабель); - к Tri-Mode-контроллеру кабелями SLIMLINE x8 -> 2 x HD Mini-SAS и SLIMLINE x8 -> HD Mini-SAS + 2 x 7-Pin SATA (до 12-ти накопителей, кабели входят в комплект поставки). Для накопителей NVMe: - к шести портам PCIe 5.0 x4 от CPU1 на материнской плате тремя кабелями MCIO x8 -> SLIMLINE x8 (подключено по умолчанию для шести накопителей, отсеки 1-6); - к шести портам PCIe 5.0 x4 от CPU2 на материнской плате тремя кабелями MCIO x8 -> SLIMLINE x8 (подключено по умолчанию для шести накопителей, отсеки 7-12); - к Tri-Mode-контроллеру кабелями SLIMLINE x8 -> SLIMLINE x8 (до шести накопителей на контроллер, для каждой пары накопителей требуется дополнительный кабель). До 2 накопителей с горячей заменой 2.5" SAS3/SATA SSD в корзину на задней панели сервера. Разъемы на корзине для подключения кабелей: 2 разъема 7-Pin SATA для накопителей SATA/SAS3. Варианты подключения накопителей: Для накопителей SATA: - к интегрированному sSATA-контроллеру материнской платы двумя кабелями 7-Pin SATA -> 7-Pin SATA (для 2 накопителей, требуются дополнительные кабели); Для накопителей SATA и/или SAS: - к SAS RAID-контроллеру или HBA кабелем HD Mini-SAS -> 4 x 7-Pin SATA (для 2 накопителей, требуется дополнительный кабель); - к Tri-Mode-контроллеру кабелем SLIMLINE x8 -> HD Mini-SAS + 2 x 7-Pin SATA (для 2-х накопителей, кабель входит в комплект поставки). |
| Дополнительные накопители | До двух накопителей M.2 PCIe 4.0 x4 формата 2280/22110 с установкой в разъемы на материнской плате, подключение к CPU2: - поддержка Intel VMD, Intel VROC 8.0 RAID 0/1 (для RAID требуется ключ активации Intel VROC Key) До двух накопителей M.2 SATA / PCIe 4.0 x4 формата 2280/22110 с установкой на плату расширения на базе SAS3808 с поддержкой RAID 0/1 в слот PCIe. |
| Оптический накопитель | Не поддерживается, только внешний через порт USB 3.0 |
| Интерфейсы | На передней панели: 2 разъема USB 3.0, видео-разъем VGA На задней панели: видео-разъем VGA (D-Sub), порт управления RJ-45 1GbE, 2 порта USB 3.0, COM-порт |
| Видео-адаптер и GPU | Интегрированный видеоконтроллер Aspeed® AST2600 Video Graphic Adapter, 1920x1200@60Hz 32bpp, DDR4 SDRAM. Возможна установка двух графических ускорителей (GPU) или видеокарт двойной ширины с TDP до 320W. |
| Панель управления | На передней панели: - кнопки управления: Power, System ID - индикация: Power LED, ID LED, System Status LED, Fan Status LED, Memory Status LED, LAN Activity LED На задней панели: - кнопки управления: Reset, System ID - индикация: ID LED |
| Управление и мониторинг | Integrated Baseboard Management Controller Aspeed® AST2600, IPMI 2.0 & Redfish Встроенный порт удаленного управления RJ-45 1GbE (10M, 100M, 1Gb) Полнофункциональное удаленное управление (KVM, Virtual Media over LAN) |
| Поддерживаемые операционные системы | Актуальный список |
| Блок питания | 2 блока питания 1300W 80 Plus Platinum с поддержкой резервирования и горячей заменой Режимы работы подсистемы питания: 1+1 Redundant Power, 2+0 Combined Power |
| Система охлаждения | 4 управляемых двухроторных вентилятора 80x80x56 мм с резервированием и возможностью горячей замены 1 вентилятор в каждом блоке питания Радиаторы процессора с пассивным охлаждением |
| Габариты | Высота 8.8 см, ширина 44.7 см, глубина 78.8 см |
| Установка в стойку | Выдвижные рельсы для установки в стойку |
| Параметры электропитания | 100-240 VAC, 12-10 A, 50-60 Hz |
| Условия эксплуатации | Рабочая температура от +5°C до +35°C Относительная влажность от 8% до 90% Температура хранения от -40°C до +65°C Относительная влажность при хранении от 5% до 95% |
| Гарантия | Стандартная гарантия 24 месяца, 9 x 5, обслуживание в сервисном центре |
| Дополнительная информация |
|
|
| |
| Блок-диаграмма платформы SNR-SR2412LS-NV |
|
| Платформа | Серверная платформа SNR-SR2425LS-NV Возможна установка графического ускорителя (GPU) или видеокарты двойной ширины с TDP до 320W. Высокопроизводительный двухпроцессорный сервер высокой плотности на базе 4th/5th Generation Intel Xeon Scalable (TDP 350W), высота 2U. Типовое применение: - универсальный высокопроизводительный сервер бизнес-приложений - платформа виртуальных машин - сервер баз данных - высокопроизводительная система хранения - сервер сетевых служб - сервер для 1С - ИИ, аналитика, Биг-дата - облачные вычисления - высокопроизводительные вычисления (HPC) |
| Форм-фактор | 2U, для установки в стойку |
| Процессор | 1 или 2 процессора семейства 4th/5th Generation Intel® Xeon® Scalable Processors Максимальный тепловой пакет (TDP) - 350W на процессор Поддерживаемые процессоры: Intel Xeon Silver 4400/4500, Gold 5400/5500, Gold 6400/6500, Platinum 8400/8500, MAX 9400 (кроме процессоров с индеком Q) Процессорный разъем FCLGA4677, архитектура Intel Sapphire Rapids/Emerald Rapids, техпроцесс Intel 7 От 8 до 64 ядер и 128 потоков на процессор, рабочая частота от 1.8 GHz до 3.7 GHz До 256 логических CPU на сервер с технологией Intel Hyper-Threading До 320 MB кэш-памяти L3 на процессор Максимальный объем поддерживаемой процессором оперативной памяти 4TB Поддержка памяти DDR5-4000/4400/4800/5600 MT/s (в зависимости от модели процессора), восьмиканальный контроллер памяти (IMC) Поддержка Registered ECC-memory, в том числе 3DS Межпроцессорный интерфейс UPI 16 GT/s (3 или 4 линка), 80 линий PCIe 5.0 (8GB/s на линию), DMI 3.0 (4 линии) |
| Чипсет | Intel C741 Chipset, 20 линий PCIe 3.0, 24 порта SATA, 14 USB 2.0 / 10 USB 3.0 |
| Оперативная память | Типы памяти: - DDR5 ECC Registered Memory (RDIMM) 1.1V, DDR5 ECC Registered Memory 3DS (RDIMM 3DS) 1.1V Максимальный объем ОЗУ (процессор поддерживает максимально 4TB ОЗУ): - для RDIMM - 4096 GB (32 x 128 GB) - для RDIMM 3DS - 8192 GB (32 x 256 GB) Режимы работы памяти: 4800/5600 MT/s (4th/5th Generation Intel Xeon Scalable, 1 DPC), 4400 MT/s (2DPC) Интегрированный в процессор 8-канальный контроллер памяти (IMC) Всего 8 каналов на CPU, два модуля памяти на канал (2 DPC) Всего 16 модулей памяти на CPU, 32 модуля памяти на сервер Пропускная способность подсистемы памяти 307.2 / 358.4 GB/s |
| Сетевые адаптеры | Без интегрированного сетевого контроллера Выделенный порт управления 1 Gb Ethernet RJ-45 (10M/100M/1Gb) Дополнительно: - сетевой модуль с установкой в отсек OCP 3.0 PCIe 5.0 x8/x16 (возможен апгрейд до x16); - до пяти сетевых адаптеров в стандартные слоты расширения PCIe 5.0 |
| Слоты расширения | Райзер-карта #1: - используется для подключения накопителей NVMe, подключение к CPU1 Райзер-карта #2: - 1 слот PCIe 5.0 x16/x16 полной высоты полной длины (Full Height, Full Length), подключение к CPU2 - 1 слот PCIe 5.0 x8/x16 полной высоты полной длины (Full Height, Full Length), подключение к CPU2 - 1 слот PCIe 5.0 x8/x16 полной высоты половинной длины (Full Height, Half Length), подключение к CPU2 Райзер-карта #3: - 2 слота PCIe 4.0 x8/x16 половинной высоты половинной длины (Low Profile, Half Length), подключение к CPU2 Слот PCIe 5.0 x8/x16 OCP 3.0 для установки сетевого модуля, подключение к CPU1 (Возможен апгрейд до x16 посредством установки дополнительного кабеля) |
| Контроллер дисковой подсистемы | Интегрированный в чипсет SATA-контроллер, 8 портов 6Gb/s (2 разъема SFF-8643 HD Mini-SAS): - поддержка VROC 8.0 RAID 0/1/10/5 Интегрированный в чипсет sSATA-контроллер, 6 портов 6Gb/s (1 разъем SFF-8643 HD Mini-SAS, 2 разъема 7-Pin SATA): - поддержка VROC 8.0 RAID 0/1/10/5 24 порта PCIe 5.0 x4 для подключения накопителей NVMe (8 разъемов SFF-TA-1016 MCIO x8 от CPU1, 4 разъема SFF-TA-1016 MCIO x8 от CPU2): - поддержка Intel VMD, Intel VROC 8.0 RAID 0/1/10/5 (для RAID требуется ключ активации Intel VROC Key) 2 порта PCIe 4.0 x4 для накопителей M.2 формата 2280/22110 (подключение к CPU2): - поддержка Intel VMD, Intel VROC 8.0 RAID 0/1 (для RAID требуется ключ активации Intel VROC Key) Дополнительно (выбор в полях Конфигуратора "Контроллер дисковой подсистемы" и "HBA-адаптер): - RAID-контроллер, HBA-адаптер или Tri-Mode контроллер для накопителей SAS3 и/или SATA в слоты расширения PCIe 5.0; - Tri-Mode-контроллер для альтернативного варианта подключения накопителей NVMe в слоты расширения PCIe 5.0. |
| Дисковая подсистема | До 24 накопителей с горячей заменой 2.5" SAS3/SATA3/NVMe Gen4 U.2/U.3 HDD/SSD в корзину на передней панели сервера. Разъемы на корзине для подключения кабелей: - 6 разъемов HD Mini-SAS для накопителей SAS3/SATA; - 12 разъемов SLIMLINE x8 для накопителей NVMe PCIe 4.0 x4 (U.2 или U.3) Варианты подключения накопителей: Для накопителей SATA: - к интегрированному Primary SATA-контроллеру материнской платы двумя кабелями HD Mini-SAS -> HD Mini-SAS (требуются дополнительные кабели, для восьми накопителей). - к интегрированному Secondary SATA-контроллеру материнской платы кабелем HD Mini-SAS -> HD Mini-SAS (требуется дополнительный кабель, для четырех накопителей). Для накопителей SATA и/или SAS: - к SAS RAID-контроллеру или HBA кабелями HD Mini-SAS -> HD Mini-SAS (до 24-х накопителей, для каждых четырех накопителей требуется дополнительный кабель); - к Tri-Mode-контроллеру кабелями SLIMLINE x8 -> 2 x HD Mini-SAS и SLIMLINE x8 -> HD Mini-SAS + 2 x 7-Pin SATA (до 12-ти накопителей, кабели входят в комплект поставки). Для накопителей NVMe: - к шестнадцати портам PCIe 5.0 x4 от CPU1 восемью кабелями MCIO x8 -> SLIMLINE x8 (подключено по умолчанию для шестнадцати накопителей, отсеки 1-16); - к восьми портам PCIe 5.0 x4 от CPU2 на материнской плате четырьмя кабелями MCIO x8 -> SLIMLINE x8 (подключено по умолчанию для восьми накопителей, отсеки 17-24); - к Tri-Mode-контроллеру кабелями SLIMLINE x8 -> SLIMLINE x8 (до шести накопителей на контроллер, для каждой пары накопителей требуется дополнительный кабель). До 2 накопителей с горячей заменой 2.5" SAS3/SATA SSD в корзину на задней панели сервера. Разъемы на корзине для подключения кабелей: 2 разъема 7-Pin SATA для накопителей SATA/SAS3. Варианты подключения накопителей: Для накопителей SATA: - к интегрированному sSATA-контроллеру материнской платы двумя кабелями 7-Pin SATA -> 7-Pin SATA (для 2 накопителей, требуются дополнительные кабели); Для накопителей SATA и/или SAS: - к SAS RAID-контроллеру или HBA кабелем HD Mini-SAS -> 4 x 7-Pin SATA (для 2 накопителей, требуется дополнительный кабель); - к Tri-Mode-контроллеру кабелем SLIMLINE x8 -> HD Mini-SAS + 2 x 7-Pin SATA (для 2-х накопителей, кабель входит в комплект поставки). |
| Дополнительные накопители | До двух накопителей M.2 PCIe 4.0 x4 формата 2280/22110 с установкой в разъемы на материнской плате, подключение к CPU2: - поддержка Intel VMD, Intel VROC 8.0 RAID 0/1 (для RAID требуется ключ активации Intel VROC Key) До двух накопителей M.2 SATA / PCIe 4.0 x4 формата 2280/22110 с установкой на плату расширения на базе SAS3808 с поддержкой RAID 0/1 в слот PCIe. |
| Оптический накопитель | Не поддерживается, только внешний через порт USB 3.0 |
| Интерфейсы | На передней панели: 2 разъема USB 3.0, видео-разъем VGA На задней панели: видео-разъем VGA (D-Sub), порт управления RJ-45 1GbE, 2 порта USB 3.0, COM-порт |
| Видео-адаптер и GPU | Интегрированный видеоконтроллер Aspeed® AST2600 Video Graphic Adapter, 1920x1200@60Hz 32bpp, DDR4 SDRAM. Возможна установка графического ускорителя (GPU) или видеокарты двойной ширины с TDP до 320W. |
| Панель управления | На передней панели: - кнопки управления: Power, System ID - индикация: Power LED, ID LED, System Status LED, Fan Status LED, Memory Status LED, LAN Activity LED На задней панели: - кнопки управления: Reset, System ID - индикация: ID LED |
| Управление и мониторинг | Integrated Baseboard Management Controller Aspeed® AST2600, IPMI 2.0 & Redfish Встроенный порт удаленного управления RJ-45 1GbE (10M, 100M, 1Gb) Полнофункциональное удаленное управление (KVM, Virtual Media over LAN) |
| Поддерживаемые операционные системы | Актуальный список |
| Блок питания | 2 блока питания 1300W 80 Plus Platinum с поддержкой резервирования и горячей заменой Режимы работы подсистемы питания: 1+1 Redundant Power, 2+0 Combined Power |
| Система охлаждения | 4 управляемых двухроторных вентилятора 80x80x56 мм с резервированием и возможностью горячей замены 1 вентилятор в каждом блоке питания Радиаторы процессора с пассивным охлаждением |
| Габариты | Высота 8.8 см, ширина 44.7 см, глубина 78.8 см |
| Установка в стойку | Выдвижные рельсы для установки в стойку |
| Параметры электропитания | 100-240 VAC, 12-10 A, 50-60 Hz |
| Условия эксплуатации | Рабочая температура от +5°C до +35°C Относительная влажность от 8% до 90% Температура хранения от -40°C до +65°C Относительная влажность при хранении от 5% до 95% |
| Гарантия | Стандартная гарантия 24 месяца, 9 x 5, обслуживание в сервисном центре |
| Дополнительная информация |
|
|
| |
| Блок-диаграмма платформы SNR-SR2425LS-NV |
|
| Платформа | Серверная платформа SNR-SR2312LS Возможна установка двух графических ускорителей (GPU) или видеокарт двойной ширины с TDP до 320W. Высокопроизводительный сервер высокой плотности с поддержкой процессоров 3rd Generation Intel Xeon Scalable с максимальным TDP 270W, высота 2U Типовое применение: - универсальный высокопроизводительный сервер бизнес-приложений - платформа виртуальных машин - сервер баз данных - высокопроизводительная система хранения - сервер сетевых служб - сервер для 1С - ИИ, аналитика, Биг-дата - облачные вычисления - высокопроизводительные вычисления (HPC) |
| Форм-фактор | 2U, для установки в стойку |
| Процессор | 1 или 2 процессора семейства 3rd Generation Intel® Xeon® Scalable Processors Максимальный тепловой пакет (TDP) - 270W на процессор (все процессоры семейства Xeon Scalable Gen3 для двухсокетных систем) Поддерживаемые процессоры: Intel Xeon Silver 4300, Gold 5300, Gold 6300, Platinum 8300, кроме процессоров с индексами (H), (L), (U), (Q) Процессорный разъем Socket-P4 LGA4189, архитектура Intel Ice Lake, техпроцесс 10нм От 8 до 40 ядер и 80 потоков на процессор, рабочая частота от 2.0 GHz до 3.6 GHz До 160 логических CPU на сервер с технологией Intel Hyper-Threading До 60 MB кэш-памяти L3 на процессор (1.5MB на ядро), 1.25 MB кэш-памяти L2 на ядро, 32 KB + 48 KB кэш-памяти L1 на ядро Максимальный объем поддерживаемой процессором оперативной памяти 6TB Поддержка памяти DDR4-2667/2933/3200 MT/s (в зависимости от модели процессора), 4 двухканальных контроллера памяти (IMC) Поддержка Registered и Load reduced ECC-memory, в том числе 3DS Поддержка Intel® Optane™ Persistent Memory 200 Series (только для Xeon Gold и Platinum) в режимах Memory Mode и APP Direct Mode Межпроцессорный интерфейс UPI 10.4 (2 линка) или 11.2 GT/s (3 линка), 64 линии PCIe 4.0 (4GB/s на линию), DMI 3.0 (4 линии) |
| Чипсет | Intel C621A Chipset, 20 линий PCIe 3.0, 14 портов SATA, 14 USB 2.0, 10 USB 3.0 |
| Оперативная память | Типы памяти: - DDR4 ECC Registered Memory (RDIMM) 1.2V, DDR4 ECC Registered Memory 3DS (RDIMM 3DS) 1.2V - DDR4 ECC Load Reduced Memory (LRDIMM) 1.2V, DDR4 ECC Load Reduced Memory 3DS (LRDIMM 3DS) 1.2V - Intel® Optane™ Persistent Memory 200 Series (PMEM), модули 128GB, 256GB, 512GB Максимальный объем ОЗУ (процессор поддерживает максимально 6TB ОЗУ): - для RDIMM - 2048 GB (32 x 64 GB), для LRDIMM - 4096 GB (32 x 128 GB) - для RDIMM 3DS - 4096 GB (32 x 128 GB), для LRDIMM 3DS - 8192 GB (32 x 256 GB) - для PMEM - 8192 GB в режиме Memory Mode, 12 TB в режиме APP Direct Mode (16 x 256 GB DDR4 + 16 x 512 GB PMEM) Режимы работы памяти: 2666/2933/3200 MT/s (в зависимости от модели процессора) 4 интегрированных в процессор двухканальных контроллера памяти (IMC) Всего 8 каналов на CPU, два модуля памяти на канал (2 DPC) Всего 16 модулей памяти на CPU, 32 модуля памяти на сервер Пропускная способность подсистемы памяти 171/188/205 GB/s (2667/2933/3200 MT/s) на CPU |
| Сетевые адаптеры | Без интегрированного сетевого контроллера Выделенный порт управления 1 Gb Ethernet RJ-45 (10M/100M/1Gb) Дополнительно: - сетевой модуль с установкой в отсек OCP 3.0 PCIe 4.0 x8/x16 (возможен апгрейд до x16); - до восьми сетевых адаптеров в стандартные слоты расширения PCIe 4.0 |
| Слоты расширения | Райзер-карта #1: - 1 слот PCIe 4.0 x16/x16 полной высоты полной длины (Full Height, Full Length), подключение к CPU1 - 1 слот PCIe 4.0 x8/x16 полной высоты полной длины (Full Height, Full Length), подключение к CPU1 - 1 слот PCIe 4.0 x8/x16 полной высоты половинной длины (Full Height, Half Length), подключение к CPU1 Райзер-карта #2: - 1 слот PCIe 4.0 x16/x16 полной высоты полной длины (Full Height, Full Length), подключение к CPU2 - 1 слот PCIe 4.0 x8/x16 полной высоты полной длины (Full Height, Full Length), подключение к CPU2 - 1 слот PCIe 4.0 x8/x16 полной высоты половинной длины (Full Height, Half Length), подключение к CPU2 Райзер-карта #3: - 2 слота PCIe 4.0 x8/x16 половинной высоты половинной длины (Low Profile, Half Length), подключение к CPU2 Слот PCIe 4.0 x8/x16 OCP 3.0 для установки сетевого модуля, подключение к CPU1 |
| Контроллер дисковой подсистемы | Интегрированный в чипсет SATA-контроллер, 8 портов 6Gb/s (2 разъема SFF-8643 HD Mini-SAS): - поддержка VROC 8.0 RAID 0/1/10/5 Интегрированный в чипсет sSATA-контроллер, 6 портов 6Gb/s (1 разъем SFF-8643 HD Mini-SAS, 2 разъема 7-Pin SATA): - поддержка VROC 8.0 RAID 0/1/10/5 2 порта PCIe 3.0 x4 для накопителей M.2 формата 2280/22110 (подключение к чипсету): - поддержка Intel VMD, Intel VROC 8.0 RAID 0/1 (для RAID требуется ключ активации Intel VROC Key) Дополнительно (выбор в полях Конфигуратора "Контроллер дисковой подсистемы" и "HBA-адаптер): - RAID-контроллер, HBA-адаптер или Tri-Mode контроллер для накопителей SAS3 и/или SATA в слоты расширения PCIe 4.0; |
| Дисковая подсистема | До 12 накопителей с горячей заменой 3.5"/2.5" SAS3/SATA3 HDD/SSD в корзину на передней панели сервера. Разъемы на корзине для подключения кабелей: - 3 разъема HD Mini-SAS для накопителей SAS3/SATA Варианты подключения накопителей: Для накопителей SATA: - к интегрированному Primary SATA-контроллеру материнской платы двумя кабелями HD Mini-SAS -> HD Mini-SAS (подключено по умолчанию для 8-ми накопителей, отсеки 1-8). - к интегрированному Secondary SATA-контроллеру материнской платы кабелем HD Mini-SAS -> HD Mini-SAS (подключено по умолчанию для 4-х накопителей, отсеки 9-12). Для накопителей SATA и/или SAS: - к SAS RAID-контроллеру или HBA кабелями HD Mini-SAS -> HD Mini-SAS (до 12-ти накопителей, для каждых четырех накопителей требуется дополнительный кабель); - к Tri-Mode-контроллеру кабелями 2 x HD Mini-SAS -> 2 x HD Mini-SAS или SLIMLINE x8 -> 2 x HD Mini-SAS (в зависимости от модели контроллера, до 12 накопителей, требуются дополнительные кабели). До 2-х накопителей с горячей заменой 2.5" SAS3/SATA SSD в корзину на задней панели сервера. Разъемы на корзине для подключения кабелей: 2 разъема 7-Pin SATA для накопителей SATA/SAS3. Варианты подключения накопителей: Для накопителей SATA: - к интегрированному sSATA-контроллеру материнской платы двумя кабелями 7-Pin SATA -> 7-Pin SATA (подключено по умолчанию для 2-х накопителей); Для накопителей SATA и/или SAS: - к SAS RAID-контроллеру или HBA кабелем HD Mini-SAS -> 4 x 7-Pin SATA (для 2 накопителей, требуется дополнительный кабель); - к Tri-Mode-контроллеру кабелем SLIMLINE x8 -> 8 x 7-Pin SATA (для 2 накопителей, требуется дополнительный кабель). |
| Дополнительные накопители | До двух накопителей M.2 PCIe 3.0 x4 формата 2280/22110 с установкой в разъемы на материнской плате, подключение к чипсету: - поддержка Intel VMD, Intel VROC 8.0 RAID 0/1 (для RAID требуется ключ активации Intel VROC Key) До двух накопителей M.2 SATA / PCIe 4.0 x4 формата 2280/22110 с установкой на плату расширения на базе SAS3808 с поддержкой RAID 0/1 в слот PCIe. |
| Оптический накопитель | Не поддерживается, только внешний через порт USB 3.0 |
| Интерфейсы | На передней панели: 2 разъема USB 3.0, видео-разъем VGA На задней панели: видео-разъем VGA (D-Sub), порт управления RJ-45 1GbE, 2 порта USB 3.0, COM-порт |
| Видео-адаптер и GPU | Интегрированный видеоконтроллер Aspeed® AST2500 Video Graphic Adapter, 1920x1200@60Hz 32bpp, DDR4 SDRAM Возможна установка двух графических ускорителей (GPU) или видеокарт двойной ширины с TDP до 320W. |
| Панель управления | На передней панели: - кнопки управления: Power, System ID - индикация: Power LED, ID LED, System Status LED, Fan Status LED, Memory Status LED, LAN Activity LED На задней панели: - кнопки управления: Reset, System ID - индикация: ID LED |
| Управление и мониторинг | Integrated Baseboard Management Controller Aspeed® AST2500, IPMI 2.0 & Redfish Встроенный порт удаленного управления RJ-45 1GbE (10M, 100M, 1Gb) Полнофункциональное удаленное управление (KVM, Virtual Media over LAN) |
| Поддерживаемые операционные системы | Актуальный список |
| Блок питания | 2 блока питания 1300W 80 Plus Platinum с поддержкой резервирования и горячей заменой Режимы работы подсистемы питания: 1+1 Redundant Power, 2+0 Combined Power |
| Система охлаждения | 4 управляемых двухроторных вентилятора 80x80x56 мм с резервированием и возможностью горячей замены 1 вентилятор в каждом блоке питания Радиаторы процессора с пассивным охлаждением |
| Габариты | Высота 8.7 см, ширина 44.7 см, глубина 76.3 см |
| Установка в стойку | Выдвижные рельсы для установки в стойку |
| Параметры электропитания | 100-240 VAC, 12-10 A, 50-60 Hz |
| Условия эксплуатации | Рабочая температура от +5°C до +35°C Относительная влажность от 8% до 90% Температура хранения от -40°C до +65°C Относительная влажность при хранении от 5% до 95% |
| Гарантия | Стандартная гарантия 24 месяца, 9 x 5, обслуживание в сервисном центре |
| Дополнительная информация |
|
|
| |
| Блок-диаграмма платформы SNR-SR2312LS |
|
| Платформа | Серверная платформа SNR-SR2312LS-NV Возможна установка графического ускорителя (GPU) или видеокарты двойной ширины с TDP до 320W. Высокопроизводительный сервер высокой плотности с поддержкой процессоров 3rd Generation Intel Xeon Scalable с максимальным TDP 270W, высота 2U Типовое применение: - универсальный высокопроизводительный сервер бизнес-приложений - платформа виртуальных машин - сервер баз данных - высокопроизводительная система хранения - сервер сетевых служб - сервер для 1С - ИИ, аналитика, Биг-дата - облачные вычисления - высокопроизводительные вычисления (HPC) |
| Форм-фактор | 2U, для установки в стойку |
| Процессор | 1 или 2 процессора семейства 3rd Generation Intel® Xeon® Scalable Processors Максимальный тепловой пакет (TDP) - 270W на процессор (все процессоры семейства Xeon Scalable Gen3 для двухсокетных систем) Поддерживаемые процессоры: Intel Xeon Silver 4300, Gold 5300, Gold 6300, Platinum 8300, кроме процессоров с индексами (H), (L), (U), (Q) Процессорный разъем Socket-P4 LGA4189, архитектура Intel Ice Lake, техпроцесс 10нм От 8 до 40 ядер и 80 потоков на процессор, рабочая частота от 2.0 GHz до 3.6 GHz До 160 логических CPU на сервер с технологией Intel Hyper-Threading До 60 MB кэш-памяти L3 на процессор (1.5MB на ядро), 1.25 MB кэш-памяти L2 на ядро, 32 KB + 48 KB кэш-памяти L1 на ядро Максимальный объем поддерживаемой процессором оперативной памяти 6TB Поддержка памяти DDR4-2667/2933/3200 MT/s (в зависимости от модели процессора), 4 двухканальных контроллера памяти (IMC) Поддержка Registered и Load reduced ECC-memory, в том числе 3DS Поддержка Intel® Optane™ Persistent Memory 200 Series (только для Xeon Gold и Platinum) в режимах Memory Mode и APP Direct Mode Межпроцессорный интерфейс UPI 10.4 (2 линка) или 11.2 GT/s (3 линка), 64 линии PCIe 4.0 (4GB/s на линию), DMI 3.0 (4 линии) |
| Чипсет | Intel C621A Chipset, 20 линий PCIe 3.0, 14 портов SATA, 14 USB 2.0, 10 USB 3.0 |
| Оперативная память | Типы памяти: - DDR4 ECC Registered Memory (RDIMM) 1.2V, DDR4 ECC Registered Memory 3DS (RDIMM 3DS) 1.2V - DDR4 ECC Load Reduced Memory (LRDIMM) 1.2V, DDR4 ECC Load Reduced Memory 3DS (LRDIMM 3DS) 1.2V - Intel® Optane™ Persistent Memory 200 Series (PMEM), модули 128GB, 256GB, 512GB Максимальный объем ОЗУ (процессор поддерживает максимально 6TB ОЗУ): - для RDIMM - 2048 GB (32 x 64 GB), для LRDIMM - 4096 GB (32 x 128 GB) - для RDIMM 3DS - 4096 GB (32 x 128 GB), для LRDIMM 3DS - 8192 GB (32 x 256 GB) - для PMEM - 8192 GB в режиме Memory Mode, 12 TB в режиме APP Direct Mode (16 x 256 GB DDR4 + 16 x 512 GB PMEM) Режимы работы памяти: 2666/2933/3200 MT/s (в зависимости от модели процессора) 4 интегрированных в процессор двухканальных контроллера памяти (IMC) Всего 8 каналов на CPU, два модуля памяти на канал (2 DPC) Всего 16 модулей памяти на CPU, 32 модуля памяти на сервер Пропускная способность подсистемы памяти 171/188/205 GB/s (2667/2933/3200 MT/s) на CPU |
| Сетевые адаптеры | Без интегрированного сетевого контроллера Выделенный порт управления 1 Gb Ethernet RJ-45 (10M/100M/1Gb) Дополнительно: - сетевой модуль с установкой в отсек OCP 3.0 PCIe 4.0 x8/x16 (возможен апгрейд до x16); - до пяти сетевых адаптеров в стандартные слоты расширения PCIe 4.0 |
| Слоты расширения | Райзер-карта #1: - используется для подключения накопителей NVMe, подключение к CPU1 Райзер-карта #2: - 1 слот PCIe 4.0 x16/x16 полной высоты полной длины (Full Height, Full Length), подключение к CPU2 - 1 слот PCIe 4.0 x8/x16 полной высоты полной длины (Full Height, Full Length), подключение к CPU2 - 1 слот PCIe 4.0 x8/x16 полной высоты половинной длины (Full Height, Half Length), подключение к CPU2 Райзер-карта #3: - 2 слота PCIe 4.0 x8/x16 половинной высоты половинной длины (Low Profile, Half Length), подключение к CPU2 Слот PCIe 4.0 x8/x16 OCP 3.0 для установки сетевого модуля, подключение к CPU1 |
| Контроллер дисковой подсистемы | Интегрированный в чипсет SATA-контроллер, 8 портов 6Gb/s (2 разъема SFF-8643 HD Mini-SAS): - поддержка VROC 8.0 RAID 0/1/10/5 Интегрированный в чипсет sSATA-контроллер, 6 портов 6Gb/s (1 разъем SFF-8643 HD Mini-SAS, 2 разъема 7-Pin SATA): - поддержка VROC 8.0 RAID 0/1/10/5 12 портов PCIe 4.0 x4 для подключения накопителей NVMe (6 разъемов SFF-8654 SLIMLINE x8 от CPU1): - поддержка Intel VMD, Intel VROC 8.0 RAID 0/1/10/5 (для RAID требуется ключ активации Intel VROC Key) 2 порта PCIe 3.0 x4 для накопителей M.2 формата 2280/22110 (подключение к чипсету): - поддержка Intel VMD, Intel VROC 8.0 RAID 0/1 (для RAID требуется ключ активации Intel VROC Key) Дополнительно (выбор в полях Конфигуратора "Контроллер дисковой подсистемы" и "HBA-адаптер): - RAID-контроллер, HBA-адаптер или Tri-Mode контроллер для накопителей SAS3 и/или SATA в слоты расширения PCIe 4.0; - Tri-Mode-контроллер для альтернативного варианта подключения накопителей NVMe в слоты расширения PCIe 4.0. |
| Дисковая подсистема | До 12 накопителей с горячей заменой 3.5"/2.5" SAS3/SATA3/NVMe Gen4 U.2/U.3 HDD/SSD в корзину на передней панели сервера. Разъемы на корзине для подключения кабелей: - 3 разъема HD Mini-SAS для накопителей SAS3/SATA; - 6 разъемов SLIMLINE x8 для накопителей NVMe PCIe 4.0 x4 (U.2 или U.3) Варианты подключения накопителей: Для накопителей SATA: - к интегрированному Primary SATA-контроллеру материнской платы двумя кабелями HD Mini-SAS -> HD Mini-SAS (подключено по умолчанию для 8-ми накопителей, отсеки 1-8). - к интегрированному Secondary SATA-контроллеру материнской платы кабелем HD Mini-SAS -> HD Mini-SAS (подключено по умолчанию для 4-х накопителей, отсеки 9-12). Для накопителей SATA и/или SAS: - к SAS RAID-контроллеру или HBA кабелями HD Mini-SAS -> HD Mini-SAS (до 12-ти накопителей, для каждых четырех накопителей требуется дополнительный кабель); - к Tri-Mode-контроллеру кабелями 2 x HD Mini-SAS -> 2 x HD Mini-SAS или SLIMLINE x8 -> 2 x HD Mini-SAS (в зависимости от модели контроллера, до 12 накопителей, требуются дополнительные кабели). Для накопителей NVMe: - к двенадцати портам PCIe 4.0 x4 от CPU1 шестью кабелями SLIMLINE x8 -> SLIMLINE x8 (подключено по умолчанию для 12-ти накопителей); - к Tri-Mode-контроллеру кабелями SLIMLINE x8 -> SLIMLINE x8 (до шести накопителей на контроллер, для каждой пары накопителей требуется дополнительный кабель). До 2-х накопителей с горячей заменой 2.5" SAS3/SATA SSD в корзину на задней панели сервера. Разъемы на корзине для подключения кабелей: 2 разъема 7-Pin SATA для накопителей SATA/SAS3. Варианты подключения накопителей: Для накопителей SATA: - к интегрированному sSATA-контроллеру материнской платы двумя кабелями 7-Pin SATA -> 7-Pin SATA (подключено по умолчанию для 2-х накопителей); Для накопителей SATA и/или SAS: - к SAS RAID-контроллеру или HBA кабелем HD Mini-SAS -> 4 x 7-Pin SATA (для 2 накопителей, требуется дополнительный кабель); - к Tri-Mode-контроллеру кабелем SLIMLINE x8 -> 8 x 7-Pin SATA (для 2 накопителей, требуется дополнительный кабель). |
| Дополнительные накопители | До двух накопителей M.2 PCIe 3.0 x4 формата 2280/22110 с установкой в разъемы на материнской плате, подключение к чипсету: - поддержка Intel VMD, Intel VROC 8.0 RAID 0/1 (для RAID требуется ключ активации Intel VROC Key) До двух накопителей M.2 SATA / PCIe 4.0 x4 формата 2280/22110 с установкой на плату расширения на базе SAS3808 с поддержкой RAID 0/1 в слот PCIe. |
| Оптический накопитель | Не поддерживается, только внешний через порт USB 3.0 |
| Интерфейсы | На передней панели: 2 разъема USB 3.0, видео-разъем VGA На задней панели: видео-разъем VGA (D-Sub), порт управления RJ-45 1GbE, 2 порта USB 3.0, COM-порт |
| Видео-адаптер и GPU | Интегрированный видеоконтроллер Aspeed® AST2500 Video Graphic Adapter, 1920x1200@60Hz 32bpp, DDR4 SDRAM Возможна установка графического ускорителя (GPU) или видеокарты двойной ширины с TDP до 320W. |
| Панель управления | На передней панели: - кнопки управления: Power, System ID - индикация: Power LED, ID LED, System Status LED, Fan Status LED, Memory Status LED, LAN Activity LED На задней панели: - кнопки управления: Reset, System ID - индикация: ID LED |
| Управление и мониторинг | Integrated Baseboard Management Controller Aspeed® AST2500, IPMI 2.0 & Redfish Встроенный порт удаленного управления RJ-45 1GbE (10M, 100M, 1Gb) Полнофункциональное удаленное управление (KVM, Virtual Media over LAN) |
| Поддерживаемые операционные системы | Актуальный список |
| Блок питания | 2 блока питания 1300W 80 Plus Platinum с поддержкой резервирования и горячей заменой Режимы работы подсистемы питания: 1+1 Redundant Power, 2+0 Combined Power |
| Система охлаждения | 4 управляемых двухроторных вентилятора 80x80x56 мм с резервированием и возможностью горячей замены 1 вентилятор в каждом блоке питания Радиаторы процессора с пассивным охлаждением |
| Габариты | Высота 8.7 см, ширина 44.7 см, глубина 76.3 см |
| Установка в стойку | Выдвижные рельсы для установки в стойку |
| Параметры электропитания | 100-240 VAC, 12-10 A, 50-60 Hz |
| Условия эксплуатации | Рабочая температура от +5°C до +35°C Относительная влажность от 8% до 90% Температура хранения от -40°C до +65°C Относительная влажность при хранении от 5% до 95% |
| Гарантия | Стандартная гарантия 24 месяца, 9 x 5, обслуживание в сервисном центре |
| Дополнительная информация |
|
|
| |
| Блок-диаграмма платформы SNR-SR2312LS-NV |
|
| Платформа | Серверная платформа SNR-SR2325LS Возможна установка двух графических ускорителей (GPU) или видеокарт двойной ширины с TDP до 320W. Высокопроизводительный сервер высокой плотности с поддержкой процессоров 3rd Generation Intel Xeon Scalable с максимальным TDP 250W, высота 2U Типовое применение: - универсальный высокопроизводительный сервер бизнес-приложений - платформа виртуальных машин - сервер баз данных - высокопроизводительная система хранения - сервер сетевых служб - сервер для 1С - ИИ, аналитика, Биг-дата - облачные вычисления - высокопроизводительные вычисления (HPC) |
| Форм-фактор | 2U, для установки в стойку |
| Процессор | 1 или 2 процессора семейства 3rd Generation Intel® Xeon® Scalable Processors Максимальный тепловой пакет (TDP) - 250W на процессор (все процессоры семейства Xeon Scalable Gen3 для двухсокетных систем) Поддерживаемые процессоры: Intel Xeon Silver 4300, Gold 5300, Gold 6300, Platinum 8300, кроме процессоров с индексами (H), (L), (U), (Q) Процессорный разъем Socket-P4 LGA4189, архитектура Intel Ice Lake, техпроцесс 10нм От 8 до 40 ядер и 80 потоков на процессор, рабочая частота от 2.0 GHz до 3.6 GHz До 160 логических CPU на сервер с технологией Intel Hyper-Threading До 60 MB кэш-памяти L3 на процессор (1.5MB на ядро), 1.25 MB кэш-памяти L2 на ядро, 32 KB + 48 KB кэш-памяти L1 на ядро Максимальный объем поддерживаемой процессором оперативной памяти 6TB Поддержка памяти DDR4-2667/2933/3200 MT/s (в зависимости от модели процессора), 4 двухканальных контроллера памяти (IMC) Поддержка Registered и Load reduced ECC-memory, в том числе 3DS Поддержка Intel® Optane™ Persistent Memory 200 Series (только для Xeon Gold и Platinum) в режимах Memory Mode и APP Direct Mode Межпроцессорный интерфейс UPI 10.4 (2 линка) или 11.2 GT/s (3 линка), 64 линии PCIe 4.0 (4GB/s на линию), DMI 3.0 (4 линии) |
| Чипсет | Intel C621A Chipset, 20 линий PCIe 3.0, 14 портов SATA, 14 USB 2.0, 10 USB 3.0 |
| Оперативная память | Типы памяти: - DDR4 ECC Registered Memory (RDIMM) 1.2V, DDR4 ECC Registered Memory 3DS (RDIMM 3DS) 1.2V - DDR4 ECC Load Reduced Memory (LRDIMM) 1.2V, DDR4 ECC Load Reduced Memory 3DS (LRDIMM 3DS) 1.2V - Intel® Optane™ Persistent Memory 200 Series (PMEM), модули 128GB, 256GB, 512GB Максимальный объем ОЗУ (процессор поддерживает максимально 6TB ОЗУ): - для RDIMM - 2048 GB (32 x 64 GB), для LRDIMM - 4096 GB (32 x 128 GB) - для RDIMM 3DS - 4096 GB (32 x 128 GB), для LRDIMM 3DS - 8192 GB (32 x 256 GB) - для PMEM - 8192 GB в режиме Memory Mode, 12 TB в режиме APP Direct Mode (16 x 256 GB DDR4 + 16 x 512 GB PMEM) Режимы работы памяти: 2666/2933/3200 MT/s (в зависимости от модели процессора) 4 интегрированных в процессор двухканальных контроллера памяти (IMC) Всего 8 каналов на CPU, два модуля памяти на канал (2 DPC) Всего 16 модулей памяти на CPU, 32 модуля памяти на сервер Пропускная способность подсистемы памяти 171/188/205 GB/s (2667/2933/3200 MT/s) на CPU |
| Сетевые адаптеры | Без интегрированного сетевого контроллера Выделенный порт управления 1 Gb Ethernet RJ-45 (10M/100M/1Gb) Дополнительно: - сетевой модуль с установкой в отсек OCP 3.0 PCIe 4.0 x8/x16 (возможен апгрейд до x16); - до восьми сетевых адаптеров в стандартные слоты расширения PCIe 4.0 |
| Слоты расширения | Райзер-карта #1: - 1 слот PCIe 4.0 x16/x16 полной высоты полной длины (Full Height, Full Length), подключение к CPU1 - 1 слот PCIe 4.0 x8/x16 полной высоты полной длины (Full Height, Full Length), подключение к CPU1 - 1 слот PCIe 4.0 x8/x16 полной высоты половинной длины (Full Height, Half Length), подключение к CPU1 Райзер-карта #2: - 1 слот PCIe 4.0 x16/x16 полной высоты полной длины (Full Height, Full Length), подключение к CPU2 - 1 слот PCIe 4.0 x8/x16 полной высоты полной длины (Full Height, Full Length), подключение к CPU2 - 1 слот PCIe 4.0 x8/x16 полной высоты половинной длины (Full Height, Half Length), подключение к CPU2 Райзер-карта #3: - 2 слота PCIe 4.0 x8/x16 половинной высоты половинной длины (Low Profile, Half Length), подключение к CPU2 Слот PCIe 4.0 x8/x16 OCP 3.0 для установки сетевого модуля, подключение к CPU1 |
| Контроллер дисковой подсистемы | Интегрированный в чипсет SATA-контроллер, 8 портов 6Gb/s (2 разъема SFF-8643 HD Mini-SAS, не может использоваться с расширителем портов): - поддержка VROC 8.0 RAID 0/1/10/5 Интегрированный в чипсет sSATA-контроллер, 6 портов 6Gb/s (1 разъем SFF-8643 HD Mini-SAS, 2 разъема 7-Pin SATA, не может использоваться с расширителем портов): - поддержка VROC 8.0 RAID 0/1/10/5 Требуется установка RAID-контроллера или HBA для подключения к расширителю SAS-портов передней корзины. 2 порта PCIe 3.0 x4 для накопителей M.2 формата 2280/22110 (подключение к чипсету): - поддержка Intel VMD, Intel VROC 8.0 RAID 0/1 (для RAID требуется ключ активации Intel VROC Key) Дополнительно (выбор в полях Конфигуратора "Контроллер дисковой подсистемы" и "HBA-адаптер): - RAID-контроллер, HBA-адаптер или Tri-Mode контроллер для накопителей SAS3 и/или SATA в слоты расширения PCIe 4.0; |
| Дисковая подсистема | До 25 накопителей с горячей заменой 2.5" SAS3/SATA3 HDD/SSD в корзину с расширителем SAS-портов на передней панели сервера. Разъемы на корзине для подключения кабелей: - 2 разъема HD Mini-SAS для накопителей SAS3/SATA Варианты подключения накопителей: Для накопителей SATA и/или SAS: - к SAS RAID-контроллеру или HBA двумя кабелями HD Mini-SAS -> HD Mini-SAS через расширитель SAS-портов передней корзины(до 25-ти накопителей, кабели входят в состав платформы); - к Tri-Mode-контроллеру кабелем SLIMLINE x8 -> 2 x HD Mini-SAS (до 25-ти накопителей, требуюется дополнительный кабель). До 2-х накопителей с горячей заменой 2.5" SAS3/SATA SSD в корзину на задней панели сервера. Разъемы на корзине для подключения кабелей: 2 разъема 7-Pin SATA для накопителей SATA/SAS3. Варианты подключения накопителей: Для накопителей SATA и/или SAS: - к расширителю SAS-портов передней корзины кабелем HD Mini-SAS -> 2 x 7-Pin SATA (для 2 накопителей, кабель входит в состав платформы). |
| Дополнительные накопители | До двух накопителей M.2 PCIe 3.0 x4 формата 2280/22110 с установкой в разъемы на материнской плате, подключение к чипсету: - поддержка Intel VMD, Intel VROC 8.0 RAID 0/1 (для RAID требуется ключ активации Intel VROC Key) До двух накопителей M.2 SATA / PCIe 4.0 x4 формата 2280/22110 с установкой на плату расширения на базе SAS3808 с поддержкой RAID 0/1 в слот PCIe. |
| Оптический накопитель | Не поддерживается, только внешний через порт USB 3.0 |
| Интерфейсы | На передней панели: 2 разъема USB 3.0, видео-разъем VGA На задней панели: видео-разъем VGA (D-Sub), порт управления RJ-45 1GbE, 2 порта USB 3.0, COM-порт |
| Видео-адаптер и GPU | Интегрированный видеоконтроллер Aspeed® AST2500 Video Graphic Adapter, 1920x1200@60Hz 32bpp, DDR4 SDRAM Возможна установка двух графических ускорителей (GPU) или видеокарт двойной ширины с TDP до 320W. |
| Панель управления | На передней панели: - кнопки управления: Power, System ID - индикация: Power LED, ID LED, System Status LED, Fan Status LED, Memory Status LED, LAN Activity LED На задней панели: - кнопки управления: Reset, System ID - индикация: ID LED |
| Управление и мониторинг | Integrated Baseboard Management Controller Aspeed® AST2500, IPMI 2.0 & Redfish Встроенный порт удаленного управления RJ-45 1GbE (10M, 100M, 1Gb) Полнофункциональное удаленное управление (KVM, Virtual Media over LAN) |
| Поддерживаемые операционные системы | Актуальный список |
| Блок питания | 2 блока питания 1300W 80 Plus Platinum с поддержкой резервирования и горячей заменой Режимы работы подсистемы питания: 1+1 Redundant Power, 2+0 Combined Power |
| Система охлаждения | 4 управляемых двухроторных вентилятора 80x80x56 мм с резервированием и возможностью горячей замены 1 вентилятор в каждом блоке питания Радиаторы процессора с пассивным охлаждением |
| Габариты | Высота 8.7 см, ширина 44.7 см, глубина 76.3 см |
| Установка в стойку | Выдвижные рельсы для установки в стойку |
| Параметры электропитания | 100-240 VAC, 12-10 A, 50-60 Hz |
| Условия эксплуатации | Рабочая температура от +5°C до +35°C Относительная влажность от 8% до 90% Температура хранения от -40°C до +65°C Относительная влажность при хранении от 5% до 95% |
| Гарантия | Стандартная гарантия 24 месяца, 9 x 5, обслуживание в сервисном центре |
| Дополнительная информация |
|
|
| |
| Блок-диаграмма платформы SNR-SR2325LS |
|